AviaSkins.Forums

Вернуться   AviaSkins.Forums > Основные разделы > Моды для Ил-2 > Первым делом, первым делом - самолеты

Важная информация

Ответ
 
Опции темы Поиск в этой теме Опции просмотра
Старый 02.02.2018, 17:49   #861
Vasya
Звичайна людина на Землі
 
Аватар для Vasya
 
Регистрация: 06.11.2011
Адрес: Україна, м.Київ, Печерський район, вул. Кіквідзе
Сообщений: 8,363
Радость

Тут:
- http://great-victory.ru/?m=6449 -.,
- http://копанина.рф/publ/17-1-0-628 0.,
- http://копанина.рф/publ/17-1-0-752 -.,
- http://авиару.рф/aviamuseum/dvigatel...-pushka-shvak/
про боеприпасы пушек. -.,

Ещё:
- https://forum.il2sturmovik.ru/topic/...14#entry561147 -.,
- https://forum.il2sturmovik.ru/topic/...-fajlam/page-9 -.
Цитата:
Опубликовано 28 October 2016 - 16:14
На данный момент информация только такая, что до послевоенного периода в номенклатуре было только три снаряда.
Spoiler Скрыть
ОЗ - осколочно-зажигательный снаряд со взрывателем К-20 и А-20 , мембрана которого окрашивалась красной краской;
с головным взрывателем , 2.8 г. взрывчатого вещества + 3.3 г. зажигательного

ОЗТ - осколочно-зажигательный-трассирующий; красный носик и зеленое кольцо, дальность трассирования 1000 м;
с головным взрывателем , 2.8 g взрывчатого вещества + 3.3 g зажигательного, трассер (возможно тоже был введен в номенклатуру в послевоенное время)

БЗ - бронебойно-зажигательный Отличительная окраска - красный поясок.
твёрдый стальной сердечник в мягкой оболочке, 2.5 г. зажигательного вещества, в алюминиевой либо бакелитовой баллистической оболочке

Снаряд ОФ с головным взрывателем , 6.7 g HE, взрывчатого вещества, с полуготовыми осколками, как и другие, были введены в номенклатуру после войны.

Изменено: II./JG51Kazhen, 28 October 2016 - 16:18
0
80c4f5d39dcf27fb70ef1b6068183262.jpg

Последний раз редактировалось Vasya; 02.02.2018 в 19:48.
Vasya вне форума   Ответить с цитированием
Старый 02.02.2018, 21:31   #862
Vasya
Звичайна людина на Землі
 
Аватар для Vasya
 
Регистрация: 06.11.2011
Адрес: Україна, м.Київ, Печерський район, вул. Кіквідзе
Сообщений: 8,363
По умолчанию

Написал я этот Швак по "ттх".
Как то вот так будет:
Код:
public GunProperties createProperties()
    {
        GunProperties gunproperties = super.createProperties();
        gunproperties.bCannon = false;
        gunproperties.bUseHookAsRel = true;
        gunproperties.fireMesh = "3DO/Effects/GunFire/20mm/mono.sim";
        gunproperties.fire = null;
        gunproperties.sprite = "3DO/Effects/GunFire/20mm/GunFlare.eff";
        gunproperties.smoke = "effects/Smokes/MachineGun.eff";
        gunproperties.shells = "3DO/Effects/GunShells/GunShells.eff";
        gunproperties.sound = "weapon.MGun_ShVAK";
        gunproperties.emitColor = new Color3f(0.6F, 0.4F, 0.2F);
        gunproperties.emitI = 10F;
        gunproperties.emitR = 3F;
        gunproperties.emitTime = 0.03F;
        gunproperties.aimMinDist = 10F;
        gunproperties.aimMaxDist = 1000F;
        gunproperties.weaponType = 3;
        gunproperties.maxDeltaAngle = 0.14F;
        gunproperties.shotFreq = 11.4F;
        gunproperties.traceFreq = 3;
        gunproperties.bullets = 200;
        gunproperties.bulletsCluster = 1;
        gunproperties.bullet = (new BulletProperties[] {
            new BulletProperties(), new BulletProperties(), new BulletProperties(), new BulletProperties(), new BulletProperties(), new BulletProperties(), new BulletProperties()
        });
        gunproperties.bullet[0].massa = 0.0966F;
        gunproperties.bullet[0].kalibr = 0.000294F;
        gunproperties.bullet[0].speed = 815F;
        gunproperties.bullet[0].power = 0.0052F;
        gunproperties.bullet[0].powerType = 2;
        gunproperties.bullet[0].powerRadius = 0.002F;
        gunproperties.bullet[0].traceMesh = null;
        gunproperties.bullet[0].traceTrail = null;
        gunproperties.bullet[0].traceColor = 0;
        gunproperties.bullet[0].timeLife = 7F;
        gunproperties.bullet[1].massa = 0.096F;
        gunproperties.bullet[1].kalibr = 0.000294F;
        gunproperties.bullet[1].speed = 815F;
        gunproperties.bullet[1].power = 0.0055F;
        gunproperties.bullet[1].powerType = 2;
        gunproperties.bullet[1].powerRadius = 0.32F;
        gunproperties.bullet[1].traceMesh = "3do/effects/tracers/20mmRed/mono.sim";
        gunproperties.bullet[1].traceTrail = "Effects/Smokes/SmokeBlack_BuletteTrail.eff";
        gunproperties.bullet[1].traceColor = 0xf90000ff;
        gunproperties.bullet[1].timeLife = 7F;
        gunproperties.bullet[2].massa = 0.0966F;
        gunproperties.bullet[2].kalibr = 0.000294F;
        gunproperties.bullet[2].speed = 815F;
        gunproperties.bullet[2].power = 0.0052F;
        gunproperties.bullet[2].powerType = 2;
        gunproperties.bullet[2].powerRadius = 0.002F;
        gunproperties.bullet[2].traceMesh = null;
        gunproperties.bullet[2].traceTrail = null;
        gunproperties.bullet[2].traceColor = 0;
        gunproperties.bullet[2].timeLife = 7F;
        gunproperties.bullet[3].massa = 0.096F;
        gunproperties.bullet[3].kalibr = 0.000294F;
        gunproperties.bullet[3].speed = 815F;
        gunproperties.bullet[3].power = 0.0054F;
        gunproperties.bullet[3].powerType = 1;
        gunproperties.bullet[3].powerRadius = 0.32F;
        gunproperties.bullet[3].traceMesh = null;
        gunproperties.bullet[3].traceTrail = null;
        gunproperties.bullet[3].traceColor = 0;
        gunproperties.bullet[3].timeLife = 7F;
        gunproperties.bullet[4].massa = 0.0966F;
        gunproperties.bullet[4].kalibr = 0.000294F;
        gunproperties.bullet[4].speed = 815F;
        gunproperties.bullet[4].power = 0.0052F;
        gunproperties.bullet[4].powerType = 2;
        gunproperties.bullet[4].powerRadius = 0.002F;
        gunproperties.bullet[4].traceMesh = null;
        gunproperties.bullet[4].traceTrail = null;
        gunproperties.bullet[4].traceColor = 0;
        gunproperties.bullet[4].timeLife = 7F;
        gunproperties.bullet[5].massa = 0.096F;
        gunproperties.bullet[5].kalibr = 0.000294F;
        gunproperties.bullet[5].speed = 815F;
        gunproperties.bullet[5].power = 0.0055F;
        gunproperties.bullet[5].powerType = 2;
        gunproperties.bullet[5].powerRadius = 0.32F;
        gunproperties.bullet[5].traceMesh = "3do/effects/tracers/20mmRed/mono.sim";
        gunproperties.bullet[5].traceTrail = "Effects/Smokes/SmokeBlack_BuletteTrail.eff";
        gunproperties.bullet[5].traceColor = 0xf90000ff;
        gunproperties.bullet[5].timeLife = 7F;
        gunproperties.bullet[6].massa = 0.096F;
        gunproperties.bullet[6].kalibr = 0.000294F;
        gunproperties.bullet[6].speed = 815F;
        gunproperties.bullet[6].power = 0.0055F;
        gunproperties.bullet[6].powerType = 0;
        gunproperties.bullet[6].powerRadius = 0.32F;
        gunproperties.bullet[6].traceMesh = "3do/effects/tracers/20mmRed/mono.sim";
        gunproperties.bullet[6].traceTrail = "Effects/Smokes/SmokeBlack_BuletteTrail.eff";
        gunproperties.bullet[6].traceColor = 0xf90000ff;
        gunproperties.bullet[6].timeLife = 7F;        
        return gunproperties;
    }
}
Архив внизу.
Должно работать в патчах 4.12.2 - 4.13+. Возможно и в патче 4.10.1.
Не шибко мощно, но мощнее дефолта немного.
Вложения
Тип файла: rar weapon.MGun_ShVAK.rar (55.4 Кб, 430 просмотров)

Последний раз редактировалось Vasya; 02.02.2018 в 21:41.
Vasya вне форума   Ответить с цитированием
Старый 02.02.2018, 21:42   #863
YurBorR
Местный
 
Регистрация: 25.02.2013
Адрес: Южный Урал
Сообщений: 633
По умолчанию

Цитата:
Сообщение от Vasya Посмотреть сообщение
...
gunproperties.shotFreq = 11.4F;
gunproperties.traceFreq = 3;
Вась, а почему ты сделал traceFreq=3 при такой shotFreq=11.4? что-то редковато будет трассер виден.
А эту рнд у швака тоже уберу.

Последний раз редактировалось YurBorR; 02.02.2018 в 21:45.
YurBorR вне форума   Ответить с цитированием
Старый 02.02.2018, 21:50   #864
YurBorR
Местный
 
Регистрация: 25.02.2013
Адрес: Южный Урал
Сообщений: 633
По умолчанию

Цитата:
Сообщение от Vasya Посмотреть сообщение
Написал я этот Швак по "ттх". Как то вот так будет:...
И ещё, всё-равно когда-то надо остановиться на оптимальном б/к, но есть соблазн сделать на "любимых" самолётах б/к чуть получше... да и самое главное: править то надо все б/к.
YurBorR вне форума   Ответить с цитированием
Старый 02.02.2018, 21:50   #865
Vasya
Звичайна людина на Землі
 
Аватар для Vasya
 
Регистрация: 06.11.2011
Адрес: Україна, м.Київ, Печерський район, вул. Кіквідзе
Сообщений: 8,363
Смех

Цитата:
Сообщение от YurBorR Посмотреть сообщение
Вась, а почему ты сделал traceFreq=3 при такой shotFreq=11.4? что-то редковато будет трассер виден.
А эту рнд у швака тоже уберу.
Так у меня их только ТРИ получилось - первый(не нулевой), пятый и шестой.
Ну типа "исторично".
Vasya вне форума   Ответить с цитированием
Старый 02.02.2018, 21:53   #866
Vasya
Звичайна людина на Землі
 
Аватар для Vasya
 
Регистрация: 06.11.2011
Адрес: Україна, м.Київ, Печерський район, вул. Кіквідзе
Сообщений: 8,363
Радость

Цитата:
Сообщение от YurBorR Посмотреть сообщение
И ещё, всё-равно когда-то надо остановиться на оптимальном б/к, но есть соблазн сделать на "любимых" самолётах б/к чуть получше...
В БоБе самому можна набивать ленту - так было в дефолте лет пять назад - у меня шёл на средних настройках без видимых лагов.
Тут же я чередовал снаряды. Первый, конечно, бронебойно-зажигательный.
Может скорострельность маловата будет, но и так на Яках это пару секунд дела и патронов нима.
Швак ещё не тестил - только написал вот и ошибки исправил свои. Плохо вижу - почти всегда есть очепятки.
Надеюсь краша Ила не будет.

Последний раз редактировалось Vasya; 02.02.2018 в 21:59.
Vasya вне форума   Ответить с цитированием
Старый 02.02.2018, 21:58   #867
YurBorR
Местный
 
Регистрация: 25.02.2013
Адрес: Южный Урал
Сообщений: 633
По умолчанию

Цитата:
Сообщение от Vasya Посмотреть сообщение
Так у меня их только ТРИ получилось - первый(не нулевой), пятый и шестой...
Нет Василь, не так, а для понятия какой трассер виден делал так: сделал с 0 по 3 и в каждом поставил свой цвет, а потом менял traceFreq от 1 до 3х - и очень интересные результаты. Ну скажем, был уверен, что после отпускания гашетки и опять стрельбы будет всё сначала с 0, а оказалось было продолжение, т.е. следующий трассер, что даже очень правильно.

Последний раз редактировалось YurBorR; 02.02.2018 в 22:00.
YurBorR вне форума   Ответить с цитированием
Старый 02.02.2018, 22:02   #868
Vasya
Звичайна людина на Землі
 
Аватар для Vasya
 
Регистрация: 06.11.2011
Адрес: Україна, м.Київ, Печерський район, вул. Кіквідзе
Сообщений: 8,363
Радость

Цитата:
Сообщение от YurBorR Посмотреть сообщение
Нет Василь, не так, а для понятия какой трассер виден делал так: сделал с 0 по 3 и в каждом поставил свой цвет, а потом менял traceFreq от 1 до 3х - и очень интересные результаты. Ну скажем, был уверен, что после отпускания гашетки и опять стрельбы будет всё сначала с 0, а оказалось было продолжение, т.е. следующий трассер.
Так там один цвет был - красный - в реале имею в виду. Это у немцев розкошь была - сначала белый, потом через 600м. - зелёный.
Поправь как тебе понравится - тут напиши и я потещу в новом классе на каком нибуть крафте.
Но если честно - смысла чередовать цвет не понял.
Шот-Фрег написал на глазок.
Это где то 650-700 выстрелов. Пощитать трудно - Иловская система расчёта заковыристая очень. Можно писать только по "опыту". Я немецким МЖ-151/20 так же немного уменьшаю скорострельность - типа скидка на полевые условия(поюзанность механизмов) и т.д.

Последний раз редактировалось Vasya; 02.02.2018 в 22:06.
Vasya вне форума   Ответить с цитированием
Старый 02.02.2018, 22:04   #869
YurBorR
Местный
 
Регистрация: 25.02.2013
Адрес: Южный Урал
Сообщений: 633
По умолчанию

Цитата:
Сообщение от Vasya Посмотреть сообщение
...Но если честно - смысла чередовать цвет не понял.
Ё-моё, да забыл уже, какие цвета в дефаулте, вот и думаю, что у всех как у меня в моде.
Вась, а дымок то чёрный я заменил, скрин будет.

Последний раз редактировалось YurBorR; 02.02.2018 в 22:08.
YurBorR вне форума   Ответить с цитированием
Старый 02.02.2018, 22:11   #870
Vasya
Звичайна людина на Землі
 
Аватар для Vasya
 
Регистрация: 06.11.2011
Адрес: Україна, м.Київ, Печерський район, вул. Кіквідзе
Сообщений: 8,363
Смех

Цитата:
Сообщение от YurBorR Посмотреть сообщение
Ё-моё, да забыл уже, какие цвета в дефаулте, вот и думаю, что у всех как у меня в моде.
Вась, а дымок то чёрный я заменил, скрин будет.
Да - я только глянул дефолт(4.12.2) и обомлел - там навсовывали в Швак все цвета радуги - покурили малость ребята ганджу.
Но в оригинале был только красный. Так вроде.
Да - и это: по дыму было бы хорошо иметь сероватый дымок или бело-серый. На кинохронике такие дымы были.
Vasya вне форума   Ответить с цитированием
Старый 04.02.2018, 21:00   #871
Vasya
Звичайна людина на Землі
 
Аватар для Vasya
 
Регистрация: 06.11.2011
Адрес: Україна, м.Київ, Печерський район, вул. Кіквідзе
Сообщений: 8,363
Радость Fiat-A-74/RC-38

Готовлю модернизированный Фиат-Г-50 для "фииинннов".
Написал мотор немного.
От дефолта по мощности отличается на 5-7 лошадей., но в дефолте просажены средние высоты на хорошую сотню сил.
У меня даже книжка есть по этому мотору на итальянском.
Сам мотор.
Код:
[Fiat-A-74/RC-38]
  Type Radial  // 140X145=31.3L 570.2KG
  Autonomous 1
  Cylinders 14
  Carburetor 1
  Direction Right
  EngineAcceleration 3.5
  Extinguishers 5
//  HorsePowers 740.0    // 740Hp / 649kW (870 hp) 
  HorsePowers 902.8      // 740Hpx1.22=902.8(коэфициент умножения мощности для класса Мотор
  BoostFactor 1.00
  WEPBoostFactor 1.092
  cAfterburner 1
  AfterburnerType 11
  TowFactor 1.0
  Thrust 0  
  MixerType 2
  MixerAltitude 6000
  PropMass 120.0
  RPMMin 400
  RPMNom 2400
  RPMMax 2400
  RPMMaxAllowed 2900
  Reductor 0.655
  PropDiameter 3.05
  PropAnglerType 2
  PropAnglerSpeed 0.108
  PropAnglerMinParam 1572.0
  PropAnglerMaxParam 2400.0
  PropAnglerAfterburnerParam 2520.0
  PropPhiMin 24.0
  PropPhiMax 54.0
  PropAoA0 11.0
  Voptimal 230.0
  CompressorType 2
  CompressorSteps 2
  CompressorPAt0 0.55
  CompressorRPMCurvature 3.0
  CompressorPMax 1.19
  CompressorAltitude0 3000.0
  CompressorMultiplier0 1.1882
  CompressorBaseMultiplier0 1.108
  CompressorAltitude1 3800.0
  CompressorMultiplier1 1.077      // 1.1352(для патча 4.10.1)
  CompressorBaseMultiplier1 1.1352
  CompressorRPMP0 1800.0
  CompressorRPMPMax 2520.0
  CompressorMaxATARPM 1.05
  CompressorSpeedManifold 0.62
  CompressorRPM0 400
  CompressorATA0 0.45
  CompressorRPM1 1000
  CompressorATA1 0.54
  CompressorRPM2 1200
  CompressorATA2 0.55
  CompressorRPM3 1700
  CompressorATA3 0.79
  CompressorRPM4 2000
  CompressorATA4 1.00
  CompressorRPM5 2200
  CompressorATA5 1.01
  CompressorRPM6 2300
  CompressorATA6 1.03
  CompressorRPM7 2400
  CompressorATA7 1.05
  CompressorRPM8 2500
  CompressorATA8 1.19
  DisP0x 2400
  DisP0y 0
  DisP1x 0
  DisP1y 05
  cRadiator 1
  TESPEED 0.021
  TWATERMAXRPM 160
  TOILINMAXRPM 80
  TOILOUTMAXRPM 90
  MAXRPMTIME 300
  MINRPMTIME 999
  TWATERMAX 260
  TWATERMIN 130
  TOILMAX 120
  TOILMIN 30
  
  FuelConsumptionP0 0.220
  FuelConsumptionP05 0.235
  FuelConsumptionP1 0.300
  FuelConsumptionPMAX 0.320
Картинка с графиками.

Последний раз редактировалось Vasya; 05.02.2018 в 23:56. Причина: исправление мотора
Vasya вне форума   Ответить с цитированием
Старый 06.02.2018, 04:19   #872
Vasya
Звичайна людина на Землі
 
Аватар для Vasya
 
Регистрация: 06.11.2011
Адрес: Україна, м.Київ, Печерський район, вул. Кіквідзе
Сообщений: 8,363
Радость Итальянские Макаки

Альфа-версия мода итальяшек.
Есть дефолтные и модные Фиат-50(Фрецция) и МС-200(Саетта). У модных мотор на 20 сил сильнее - типа бензин Аи-92.
Архив с модом внизу. Вооружение так же в архиве вместе со звуками(можно менять по вкусу на другие звуки).
Для достижения паспортных скоростей с новым мотором немного снижено сопротивление - совсем чуть-чуть. Веса проставлены по таблицам и другим интернетовским мурзилкам.
Скорость дефолтного Фиата-50 у земли 391(3) км. в час.
Скороподъёмность около 14-14.3 м. в сек.
Время виража около 17-17.5 секунд.
Скорость дефолтной Саетты у земли 425(7) км. в час.
Скороподъёмность около 15-15.5 м. в сек.
Время виража около 18 секунд.
Мерял на карте Смоленска дефолтного.
На больших скоростях Фиат дубеет по крену.
Саетта дубеет чуть позже, но тоже не айс.
Мотор писан по ттх (Фиат Официо Технико Мотори Авиазиони ТОРИНО).
Замечания по моду приветствуются!
----------------------------
Моды обновлены 7-го февраля.
Добавлен биплан Фалко ЦР-42.
Скорость у земли 350 км. в час. Скоректирована вертикальная маневренность - тангаж. Двигатель новый. Есть вариант вооружения "фиелд_мод" - Бреда-Сафат--77(мелкокалиберный(для "извращений")).
Пулемёт откровенное "говно".
В Нью-Гарматы внесены исправления:
исправлена ошибка в Бреда-Сафат77.,
добавлен звук для Швака - "потерялся" при переносе из папки в папку.
Звук поставлен от МГ-151/20 (временно)., у меня в зборке звуков(САСовская) для Швака почему то на слух звук от Испаны.
Если у кого есть "автентичный" звук Швака - прозьба прикрепить тут.
Прозьба (!!!) перекачать архив с вооружением, кто пользует мои моды.
============================
9-го Февраля мод итальянцев обновлён - скоректировано вооружение(архив внизу прилагается).
Миниатюры
Нажмите на изображение для увеличения
Название: МОТОР ФИАТ--1.jpg
Просмотров: 592
Размер:	316.5 Кб
ID:	51984   Нажмите на изображение для увеличения
Название: МОТОР ФИАТ--2.jpg
Просмотров: 593
Размер:	240.7 Кб
ID:	51985   Нажмите на изображение для увеличения
Название: МОТОР ФИАТ--3.jpg
Просмотров: 590
Размер:	381.9 Кб
ID:	51986   Нажмите на изображение для увеличения
Название: МОТОР ФИАТ--4.jpg
Просмотров: 571
Размер:	364.2 Кб
ID:	51987   Нажмите на изображение для увеличения
Название: МОТОР ФИАТ--5.jpg
Просмотров: 563
Размер:	392.8 Кб
ID:	51988  

Вложения
Тип файла: rar !_001_CR_42_SL_4.12.2+.rar (129.2 Кб, 395 просмотров)
Тип файла: rar !!!000_A_NEW_GARMATY_4.12.2.rar (1.54 Мб, 406 просмотров)

Последний раз редактировалось Vasya; 17.02.2018 в 21:28. Причина: Исправление модов
Vasya вне форума   Ответить с цитированием
Старый 06.02.2018, 20:10   #873
Dimas1999
Местный
 
Аватар для Dimas1999
 
Регистрация: 18.11.2015
Сообщений: 1,714
Радость

Привет Вася.
Нью Гарматы из последнего поста для 4.13.4 годится? Или для 4.13.4 будет отдельная сборка гармат?
Dimas1999 вне форума   Ответить с цитированием
Старый 07.02.2018, 02:12   #874
Vasya
Звичайна людина на Землі
 
Аватар для Vasya
 
Регистрация: 06.11.2011
Адрес: Україна, м.Київ, Печерський район, вул. Кіквідзе
Сообщений: 8,363
Радость

Цитата:
Сообщение от Dimas1999 Посмотреть сообщение
Привет Вася.
Нью Гарматы из последнего поста для 4.13.4 годится? Или для 4.13.4 будет отдельная сборка гармат?
Привет!
Думаю да.
Я переписал/исправил было в январе ещё 2017-го всё вооружение, но оно пропало на старом винте. Сейчас это потихоньку перепиленная сборка осени 2016-го года. Внесено много исправлений. Выложил самый последний вариант - включает и последние МГ, Шваки и другое. Хочется сделать единый вариант для патчей 4.10-4.13.
Если какие ошибки - пиши. Потому как подслеповат и могу делать очепятки.
-------------------------------------------------
Если нужно исходники - внизу архив последних исправлений.
================================================== =
Цитата:
Сообщение от Nomad Посмотреть сообщение
Хм.. Интересно. А этот параметр на что в игре влияет? На устойчивость машины к перегрузкам?

Хотел спросить, как посмотреть это всё самостоятельно, но чё то передумал. И так читером называют)))
Внизу архив - распечатка САСовского баттонза.
Вложения
Тип файла: rar weapons--последние исходники.rar (150.3 Кб, 442 просмотров)
Тип файла: rar FlightModels--4.13.4--САС.rar (1.27 Мб, 459 просмотров)

Последний раз редактировалось Vasya; 15.02.2018 в 00:42. Причина: прикрепление исходников вооружения
Vasya вне форума   Ответить с цитированием
Старый 13.02.2018, 02:44   #875
Vasya
Звичайна людина на Землі
 
Аватар для Vasya
 
Регистрация: 06.11.2011
Адрес: Україна, м.Київ, Печерський район, вул. Кіквідзе
Сообщений: 8,363
Радость P-39N-1 - новый мотор и правки в фм

Написал мотор для Р-39.
Код:
[V-1710-85W-55/RIGHT/NEW/P-39N-1]
// Airplane equipped with Allison V-1710-83 engine and a three-bladed Curtiss Electric constant speed propeller,
// blade design No. 614-10-1-5-21, blade angle range 26° tp 56° at 42 inch radius.  
  Direction Right
  HorsePowers 1448.4      // 1020X1.42=1448.4 (коэфициент умножения мощности для класса МОТОР) 
  BoostFactor 1.285
  WEPBoostFactor 1.0001
  cAfterburner 0
  AfterburnerType 10
  CompressorSteps 1
  cCompressor 0
  cMix 1
  RPMMin 200
  RPMNom 2600
  RPMMax 2600
  RPMMaxAllowed 3320
  Reductor 0.50
  PropDiameter 3.48  
  PropMass 166.0
  PropAnglerType 2
  PropAnglerSpeed 0.104
  PropAnglerMinParam 1300.0
  PropAnglerMaxParam 2600.0
  PropAnglerAfterburnerParam 3000.0
  PropPhiMin 26.0
  PropPhiMax 56.0
  PropAoA0 11.0
  Voptimal 230.0  
  CompressorType 2
  CompressorSteps 2
  CompressorPAt0 0.32
  CompressorRPMCurvature 3.0
  CompressorPMax 1.86
  CompressorAltitude0 2470.0
  CompressorMultiplier0 1.03053
  CompressorBaseMultiplier0 1.0445
  CompressorAltitude1 4450.0
  CompressorMultiplier1 0.95
  CompressorBaseMultiplier1 1.02
  CompressorRPMP0 2000.0
  CompressorRPMPMax 3000.0
  CompressorMaxATARPM 1.4
  CompressorSpeedManifold 0.8
  CompressorRPM0 400
  CompressorATA0 0.55
  CompressorRPM1 1200
  CompressorATA1 0.70
  CompressorRPM2 2000
  CompressorATA2 1.00
  CompressorRPM3 2280
  CompressorATA3 1.06
  CompressorRPM4 2600
  CompressorATA4 1.40
  CompressorRPM5 3000
  CompressorATA5 1.86
  DisP0x 2600
  DisP0y 0
  DisP1x 0
  DisP1y 10
  TESPEED 0.01
  TWATERMAXRPM 80
  TOILINMAXRPM 60
  TOILOUTMAXRPM 80
  MAXRPMTIME 400
  MINRPMTIME 999
  TWATERMAX 125
  TWATERMIN 60
  TOILMAX 100
  TOILMIN 40
- http://www.wwiiaircraftperformance.o...cteristics.jpg -
- http://www.wwiiaircraftperformance.o...9q-25-1400.jpg -.,
- http://www.wwiiaircraftperformance.org/P-39/P-39.html -.
Скорректорованная фм для P-39N-1.
(С ней Р-39 идёт у земли 535-537 км. в час., подъём не боевом развороте до 850-900) метров. Скороподъёмность около 16-17 м. в сек. Время виража около 19 сек. на форсаже. Скорость устоявшегося разворота 300-310 км. в час.
Разница с дефолтом:
"правильный" мотор по ттх.,
урезана скороподъёмность ближе к ттх.,
веса прописаны по таблице - выше ссылки .,
урезана сверхманевренность - в сравнении с дефолтом.,
добавлена скорость (почти) до исторической) - не хватает 7-13 км. (в зависимости от модели) до скоростей по таблицам испытаний. Так как эксплуатировались Кобры в основном в Союзе, то спишем нехватку скорости на бодяжный бензинчик. Иначе нужно серьёзно вмешиваться в поляру - есть риск потерять тонкость настройки дефолтного скрипта.
Для Ку-серии веп 57, для П-39н-1 веп 55. Читал. что только после поставок хорошего американского бензина в 44-м разрешили снимать проволочку для хода руда на веп 57.
Думаю, что в ттх уложился(более-мение) и чугунистость П-39 проявилась.
Оригинал мода тут:
https://www.sas1946.com/main/index.p...ic,5283.0.html
Последние исправления(бета+ версия) на 14 февраля - мод внизу в архиве. Классы делались в среде 4.12.2 (должно работать и в более поздних патчах).
Есть почти вся линейка Р-39, кроме Д-серии.
Код:
// P-39N-1-NEW.fmd
[Aircraft]
  Type 1
  Crew 1
  Wingspan 10.37
  Length 9.2
  Seaplane 0
  Canard 0
  Jet 0
  JetHiV 0
[Mass]
  Empty 2547.0
  TakeOff 3593.0
  Oil 28.1
  Fuel 236.0
[Controls]
  CAileron 1
  CAileronTrim 1
  CElevator 1
  CElevatorTrim 1
  CRudder 1
  CRudderTrim 1
  CFlap 1
  CFlapPos 3
  CDiveBrake 0
  CInterceptor 0
  CEngine 1
  CVectoredThrust 0
  CUndercarriage 1
  CLockTailwheel 0
  CStabilizer 0
  CArrestorHook 0
  CWingFold 0
  CCockpitDoor 0
  CDifferentialBrakes 1
  CAileronThreshold 400.0
  CRudderThreshold 420.0
  CElevatorThreshold 420.0
  DefaultAileronTrim 0.010
  DefaultElevatorTrim -0.06
  DefaultRudderTrim 0.0789
[Squares]
  Wing 20.00
  Aileron 0.67
  Flap 0.71
  Stabilizer 2.22
  Elevator 1.5
  Keel 0.7
  Rudder 1.0
  Wing_In 3.8
  Wing_Mid 3.29
  Wing_Out 2.72
  AirbrakeCxS 0.00
[Arm]
  Aileron 3.7
  Flap 0.47
  Stabilizer 4.13
  Keel 4.27
  Elevator 4.33
  Rudder 4.33
  Wing_In 0.73
  Wing_Mid 2.2
  Wing_Out 3.93
  Wing_V 1.5
  GCenter 0.00
  GCenterZ 0.00
  GC_AOA_Shift 0.40
  GC_Flaps_Shift 0.15
  GC_Gear_Shift 0.30
[Toughness]
  AroneL 50
  AroneR 50
  CF 300
  Engine1 80
  Engine2 80
  Engine3 80
  Engine4 80
  GearL2 200
  GearR2 200
  Keel1 80
  Keel2 80
  Nose 80
  Oil 50
  Rudder1 50
  Rudder2 50
  StabL 50
  StabR 50
  Tail1 100
  Tail2 100
  Turret1B 50
  Turret2B 50
  Turret3B 50
  Turret4B 50
  Turret5B 50
  Turret6B 50
  VatorL 50
  VatorR 50
  WingLIn 100
  WingLMid 80
  WingLOut 80
  WingRIn 100
  WingRMid 80
  WingROut 80
  Flap01 50
  Flap02 50
  Flap03 50
  Flap04 50
[Engine]
  Engine0Family ALLISON_P-39-NEW:ALLISON_NEW
  Engine0SubModel V-1710-85W-55/RIGHT/NEW/P-39N-1
[Gear]
  H 1.8
  Pitch 1.7
  SinkFactor 900.0
  SpringsStiffness 0.3
  TailStiffness 0.4
[Params]
  CriticalAOA 16.00
  CriticalCy 01.43
  CxCurvature 00.40
  CxStraightness 00.10
  CriticalAOAFlap 16.00
  CriticalCyFlap 01.70
  SpinTailAlpha 17.00
  SpinCxLoss 0.10
  SpinCyLoss 0.04
  Vyfac 1.0
  Tfac 1.05
  Vmin 160.0
  Vmax 515.0
  VmaxAllowed 860.0
  VmaxH 610.0
  HofVmax 3500.0
  VminFLAPS 125.0
  VmaxFLAPS 245.0
  Vz_climb 13.0
  V_climb 270.0
  T_turn 19.0
  V_turn 310.0
  K_max 13.0
  Cy0_max 0.15
  FlapsMult 1.0
  FlapsAngSh 10.0
  G_class_coeff 25.0
  G_class 12.0
  ReferenceWeight 176.0  // 43.0
  Range 1000.0
  CruiseSpeed 380.0
  SensYaw 0.40
  SensPitch 0.64
  SensRoll 0.30
[Polares]
  lineCyCoeff 0.08607557
  AOAMinCx_Shift 0.0
  Cy0_0 0.155
  AOACritH_0 16.0
  AOACritL_0 -17.0
  CyCritH_0 1.3314568
  CyCritL_0 -0.7
  CxMin_0 0.0182
  parabCxCoeff_0 4.2E-4
  Cy0_1 1.157
  AOACritH_1 14.5
  AOACritL_1 -25.0
  CyCritH_1 1.8542402
  CyCritL_1 -0.74832267
  CxMin_1 0.085146725
  parabCxCoeff_1 5.2E-4
  parabAngle 6.0
  Decline 0.002
  maxDistAng 40.0
  draw_graphs 0
  mc3 -14.756,-0.9363,-73.115,-89.864,-14.662,-12.556,-10.405,-14.562
  mc4 74.334,34.677,500.08,1426.8,131.69,89.944,50.771,50.771
  mm 0.661,0.733,0.772,0.776,0.771,0.711,0.657,0.599
  mz 0.161,0.145,0.089,0.045,0.111,0.142,0.182,0.197
[SOUND]
  Engine p39
  Start e_start
  Rear 1
  FeedType ELECTRIC
Последняя редакция - исправлена ошибка/очепятка в моторе V-1710-85W-55/RIGHT/NEW/P-39N-1.
-------------------------------
После тестов 15 февраля исправил мощность мотора и триммера подогнал под шарик в центре.
Пришлось добавить 25 проц. момента/мощности на четырёхлопастный винт - это добавки около 25.5 сил(получилось 1045.5 сил.). Ку-1 вышел на пастпортную скорость у земли - 540-543 км. в час и 900 м. в боевом развороте. Ку-10 быстрее на 7 км. и в боевом развороте набирает 1020-1050 метров., думаю в паспортные ттх уложился. Если же мерять на высоте 500-1000 метров, то скорости будут до 560 км. в час. Поляру уже не корректировал, потому как планер с предыдущими моделями по аэродинамике по сути идентичный.
---------------------------------------------
17 Февраля обновил мод.
Немного исправлена раскладка вооружения.,
скорректированы двигателя по высотам - незначительно - согласно документов тестов реальных прототипов.,
добавлены модели П-400, Д-1-2.
Возможна ещё коррекция триммирования после тщательных тестов.
Исправление очепяток - само собой - если такие обнаружатся.
К сожалению модели при резких маневрах валяться в правую сторону, хотя винт тянет в левую - это косяк самого Ила.
Постарался уложиться в ТТХ на 95-97 проц., дефолтную поляру почти не правил, кроме скороподъёмности., сопромат поставлен минимальный дефолтный.
Крафты тяжеловаты, но при граммотном маневрировании с использованием энергии можно бодаться даже с Мессером, если это боты. Ностроенные же мной Мессеры по "ттх" Кобрам оставляют мало шансов на всех высотах - маловата мощность мотора на такой здоровый вес. По скорости и маневру на перегрузках Кобры должны превосходить Яки на пару шапок.
Кто пользует мои моды - всем приятных полётов.
Вооружение для модных крафтов - внизу в архиве.
Миниатюры
Нажмите на изображение для увеличения
Название: 2018.02.13 08-53-47.jpg
Просмотров: 658
Размер:	149.2 Кб
ID:	52150   Нажмите на изображение для увеличения
Название: P-39--prop.jpg
Просмотров: 611
Размер:	69.8 Кб
ID:	52182   Нажмите на изображение для увеличения
Название: P-39_Aircraft_Performance_Characteristics--doc.jpg
Просмотров: 631
Размер:	1.07 Мб
ID:	52183  
Вложения
Тип файла: rar P-39Q-30(Karabas)+.rar (293.0 Кб, 496 просмотров)
Тип файла: rar !!!000_A_NEW_GARMATY_4.12.2.rar (1.54 Мб, 460 просмотров)

Последний раз редактировалось Vasya; 17.02.2018 в 21:27. Причина: Прикрепление архива мода всей линейки Р-39
Vasya вне форума   Ответить с цитированием
Старый 13.02.2018, 19:30   #876
Dragon104
Местный
 
Регистрация: 10.12.2008
Сообщений: 111
По умолчанию

Самолет Аэрокобра с мотором Алиссон (1943).pdf
http://rgho.st/8XcWCSWWY
Dragon104 вне форума   Ответить с цитированием
Старый 17.02.2018, 10:10   #877
Vasya
Звичайна людина на Землі
 
Аватар для Vasya
 
Регистрация: 06.11.2011
Адрес: Україна, м.Київ, Печерський район, вул. Кіквідзе
Сообщений: 8,363
Радость

Предварительно настроенные моторы для П-39Д-1(2).
Код:
[V-1710-35W-45_9/RIGHT/NEW/P-39D-1]
// Airplane equipped with Allison V-1710-35 engine and a three-bladed Curtiss Electric constant speed propeller,
// blade design No. 614-10-1-5-21, blade angle range 21.5° tp 51.5° at 42 inch radius.
  Direction Right
  HorsePowers 1080.96   // 960X1.126=1080.96   (коэфициент умножения мощности для класса МОТОР) 
  BoostFactor 1.198
  WEPBoostFactor 1.0001
  cAfterburner 0
  AfterburnerType 10
  CompressorSteps 1
  cCompressor 0
  cMix 1
  RPMMin 200
  RPMNom 2600
  RPMMax 2600
  RPMMaxAllowed 3320
  Reductor 0.556
  PropDiameter 3.16  
  PropMass 166.0
  PropAnglerType 2
  PropAnglerSpeed 0.94
  PropAnglerMinParam 1445.6
  PropAnglerMaxParam 2600.0
  PropAnglerAfterburnerParam 3000.0
  PropPhiMin 21.5
  PropPhiMax 51.5
  PropAoA0 11.0
  Voptimal 245.0  
  CompressorType 2
  CompressorSteps 2
  CompressorPAt0 0.35
  CompressorRPMCurvature 3.0
  CompressorPMax 1.58
  CompressorAltitude0 3780.0
  CompressorMultiplier0 1.0
  CompressorBaseMultiplier0 1.021
  CompressorAltitude1 4200.0
  CompressorMultiplier1 1.0348
  CompressorBaseMultiplier1 1.03125
  CompressorRPMP0 2000.0
  CompressorRPMPMax 3000.0
  CompressorMaxATARPM 1.31
  CompressorSpeedManifold 0.8
  CompressorRPM0 400
  CompressorATA0 0.55
  CompressorRPM1 1200
  CompressorATA1 0.70
  CompressorRPM2 2000
  CompressorATA2 1.00
  CompressorRPM3 2280
  CompressorATA3 1.07
  CompressorRPM4 2600
  CompressorATA4 1.31
  CompressorRPM5 3000
  CompressorATA5 1.58
  DisP0x 2600
  DisP0y 0
  DisP1x 0
  DisP1y 10
  TESPEED 0.01
  TWATERMAXRPM 80
  TOILINMAXRPM 60
  TOILOUTMAXRPM 80
  MAXRPMTIME 400
  MINRPMTIME 999
  TWATERMAX 125
  TWATERMIN 60
  TOILMAX 100
  TOILMIN 40

[V-1710-63W-51/RIGHT/NEW/P-39D-2]
// Airplane equipped with Allison V-1710-63 engine and a three-bladed Curtiss Electric constant speed propeller,
// blade design No. 614-10-1-5-21, blade angle range 26° tp 56° at 42 inch radius.
  Direction Right
  HorsePowers 1410.0      // 1000X1.41=1410.0 (коэфициент умножения мощности для класса МОТОР) 
  BoostFactor 1.325
  WEPBoostFactor 1.0001
  cAfterburner 0
  AfterburnerType 10
  CompressorSteps 1
  cCompressor 0
  cMix 1
  RPMMin 200
  RPMNom 2600
  RPMMax 2600
  RPMMaxAllowed 3320
  Reductor 0.50
  PropDiameter 3.48  
  PropMass 180.0
  PropAnglerType 2
  PropAnglerSpeed 0.104
  PropAnglerMinParam 1300.0
  PropAnglerMaxParam 2600.0
  PropAnglerAfterburnerParam 3000.0
  PropPhiMin 26.0
  PropPhiMax 56.0
  PropAoA0 11.0
  Voptimal 230.0  
  CompressorType 2
  CompressorSteps 2
  CompressorPAt0 0.32
  CompressorRPMCurvature 3.0
  CompressorPMax 1.76
  CompressorAltitude0 2255.0
  CompressorMultiplier0 1.034
  CompressorBaseMultiplier0 1.08
  CompressorAltitude1 3600.0
  CompressorMultiplier1 0.868
  CompressorBaseMultiplier1 1.15
  CompressorRPMP0 2000.0
  CompressorRPMPMax 3000.0
  CompressorMaxATARPM 1.31
  CompressorSpeedManifold 0.8
  CompressorRPM0 400
  CompressorATA0 0.55
  CompressorRPM1 1200
  CompressorATA1 0.70
  CompressorRPM2 2000
  CompressorATA2 1.00
  CompressorRPM3 2280
  CompressorATA3 1.07
  CompressorRPM4 2600
  CompressorATA4 1.31
  CompressorRPM5 3000
  CompressorATA5 1.80
  DisP0x 2600
  DisP0y 0
  DisP1x 0
  DisP1y 10
  TESPEED 0.01
  TWATERMAXRPM 80
  TOILINMAXRPM 60
  TOILOUTMAXRPM 80
  MAXRPMTIME 400
  MINRPMTIME 999
  TWATERMAX 125
  TWATERMIN 60
  TOILMAX 100
  TOILMIN 40

Последний раз редактировалось Vasya; 17.02.2018 в 10:12.
Vasya вне форума   Ответить с цитированием
Старый 02.03.2018, 00:25   #878
Vasya
Звичайна людина на Землі
 
Аватар для Vasya
 
Регистрация: 06.11.2011
Адрес: Україна, м.Київ, Печерський район, вул. Кіквідзе
Сообщений: 8,363
Смущение

Наделал ошибок в классах турельных пулемётов - пулемёты стреляли только строго назад.
Прошу прощения у пользователей моего мода Нью-Гарматы!
Подслеповат я сильно и проэктов несколько в разработке одновременно. Поэтому ошибки были, есть и будут. Главное - выявить вредителей.
Фикс внизу. Папки просто совместить и на замену хешей согласиться.
Вложения
Тип файла: rar ФИКС ТУРЕЛЬНЫХ ПУЛЕМЁТОВ.rar (6.9 Кб, 431 просмотров)
Vasya вне форума   Ответить с цитированием
Старый 05.03.2018, 23:29   #879
Vasya
Звичайна людина на Землі
 
Аватар для Vasya
 
Регистрация: 06.11.2011
Адрес: Україна, м.Київ, Печерський район, вул. Кіквідзе
Сообщений: 8,363
По умолчанию

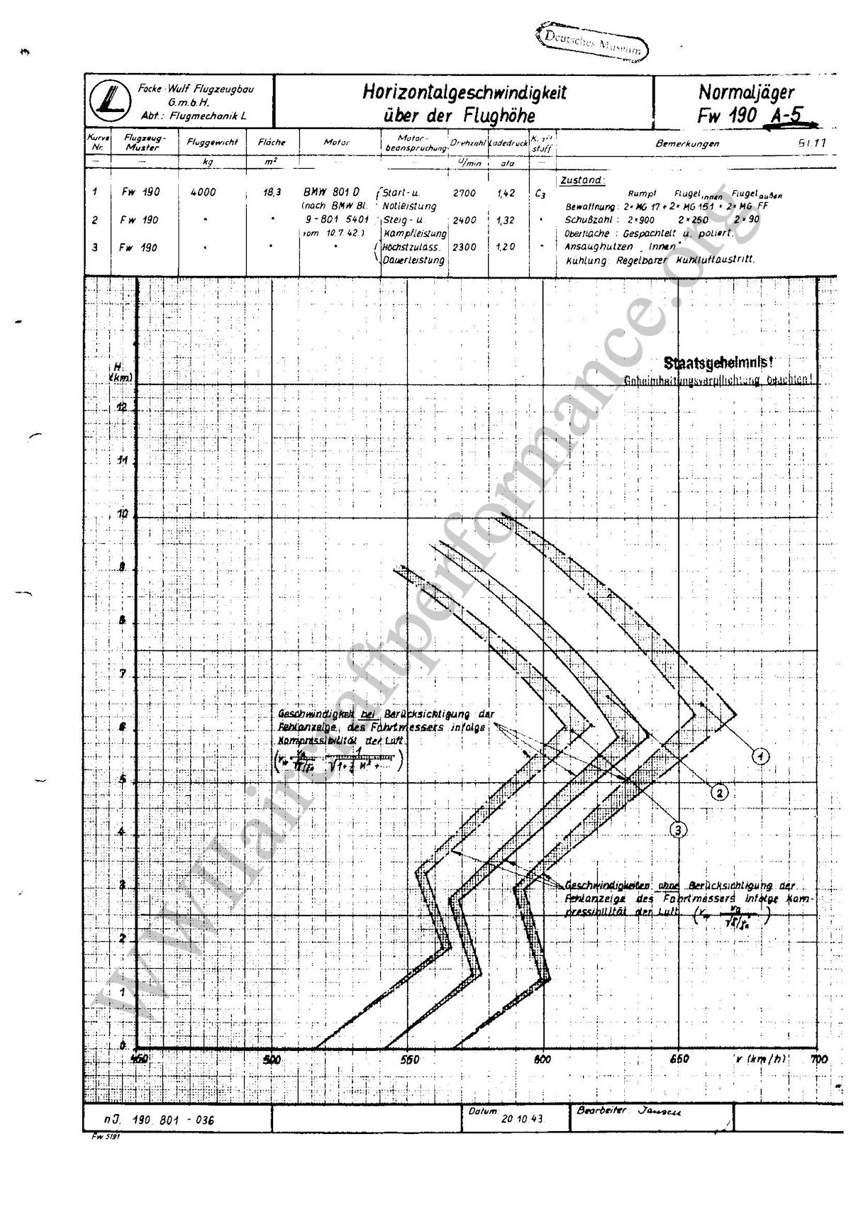
Настроил поляру для ФВ-190А-5(4-7) и немного подтянул мотор сообразно повышением мощности напором скоростным напором воздуха в полёте.
Документы в картинках внизу.
ФМ.
Код:
[Aircraft]
  Type 1
  Crew 1
  Wingspan 10.506
  Length 9.00
  Seaplane 0
  Canard 0
  Jet 0
  JetHiV 0
[Mass]
  Empty 3312.0
  TakeOff 4088.0
  Oil 40.0
  Fuel 410.0
[Controls]
  CAileron 1
  CAileronTrim 0
  CElevator 1
  CElevatorTrim 1
  CRudder 1
  CRudderTrim 0
  CFlap 1
  CFlapPos 3
  CDiveBrake 0
  CInterceptor 0
  CEngine 1
  CVectoredThrust 0
  CUndercarriage 1
  CLockTailwheel 1
  CStabilizer 0
  CArrestorHook 0
  CWingFold 0
  CCockpitDoor 1
  CockpitDoorPeriod 2.0
  CAileronThreshold 440.0
  CRudderThreshold 550.0
  CElevatorThreshold 550.0
  DefaultAileronTrim 0.0065
  DefaultElevatorTrim -0.1
  DefaultRudderTrim 0.0805
[Squares]
  Wing 18.3
  Aileron 1.93
  Flap 1.69
  Stabilizer 1.73
  Elevator 1.00
  Keel 0.90
  Rudder 0.80
  Wing_In 3.50
  Wing_Mid 2.15
  Wing_Out 3.50
  AirbrakeCxS 0.00
[Arm]
  Aileron 4.0
  Flap 1.75
  Stabilizer 4.82
  Keel 5.04
  Elevator 5.14
  Rudder 5.66
  Wing_In 1.26
  Wing_Mid 2.44
  Wing_Out 3.81
  Wing_V 1.5
  GCenter 0.10
  GCenterZ 0.00
  GC_AOA_Shift 0.45
  GC_Flaps_Shift 0.10
  GC_Gear_Shift -0.50
[Toughness]
  AroneL 50
  AroneR 50
  CF 500
  Engine1 350
  Engine2 350
  Engine3 350
  Engine4 350
  GearL2 200
  GearR2 200
  Keel1 170
  Keel2 170
  Nose 170
  Oil 260
  Rudder1 100
  Rudder2 100
  StabL 170
  StabR 170
  Tail1 120
  Tail2 120
  Turret1B 100
  Turret2B 100
  Turret3B 100
  Turret4B 100
  Turret5B 100
  Turret6B 100
  VatorL 100
  VatorR 100
  WingLIn 150
  WingLMid 120
  WingLOut 100
  WingRIn 150
  WingRMid 120
  WingROut 100
  Flap01 50
  Flap02 50
  Flap03 50
  Flap04 50
[Engine]
  Engine0Family BMW_801D-2(UP-MODS):UP_FW
  Engine0SubModel BMW-801D-2FN/FW-190A-5/A-6/A-7/NEW
[Gear]           
  H 1.8
  Pitch 13.0
  SinkFactor 1200.0
  SpringsStiffness 0.8
[Params]
  CriticalAOA 18.50
  CriticalCy 01.40
  CxCurvature 00.70
  CxStraightness 00.00
  CriticalAOAFlap 20.00
  CriticalCyFlap 02.00
  SpinTailAlpha 17.00
  SpinCxLoss 0.06
  SpinCyLoss 0.03
  Vmin 198.0
  Vmax 542.0
  VmaxAllowed 910.0
  VmaxH 670.0
  HofVmax 6300.0
  VminFLAPS 150.0
  VmaxFLAPS 300.0
  Vz_climb 17.0
  V_climb 290.0
  T_turn 23.0
  V_turn 350.0
  K_max 13.0
  Cyo_max 0.17
  FlapsMult 1.20
  FlapsAngSh 10.0
  ReferenceWeight 96  
  G_class_coeff 25.0
  G_class 14.0
  Range 900.0
  CruiseSpeed 360.0
  SensYaw 0.43
  SensPitch 0.66
  SensRoll 0.40
[Polares]
  lineCyCoeff 0.08588166
  AOAMinCx_Shift 0.08150756 
  Cy0_0 0.116
  AOACritH_0 21.5
  AOACritL_0 -15.0
  CyCritH_0 1.40
  CyCritL_0 -0.73367783
  CxMin_0 0.0220
  parabCxCoeff_0 5.8E-4
  Cy0_1 0.625
  AOACritH_1 18.5
  AOACritL_1 -27.0
  CyCritH_1 1.695889
  CyCritL_1 -0.74832267
  CxMin_1 0.06993737
  parabCxCoeff_1 7.6E-4
  parabAngle 5.0
  Decline 0.008
  maxDistAng 38.0
  mc3 -16.712,-12.743,-40.268,-43.838,-48.483,-18.345,-10.693,-5.3299
  mc4 34.553,34.677,282.28,732.17,310.51,131.69,89.944,61.433
  mm 0.685,0.738,0.759,0.769,0.747,0.688,0.633,0.583
  mz 0.291,0.256,0.115,0.059,0.105,0.123,0.126,0.117
[SOUND]
  Engine fw_190
  Start e_start
  FeedType ELECTRIC
  Prop fw_prop
Миниатюры
Нажмите на изображение для увеличения
Название: Fw_190_A-5_Ladeplan.jpg
Просмотров: 595
Размер:	792.9 Кб
ID:	52755   Нажмите на изображение для увеличения
Название: BMW-801-graph.jpg
Просмотров: 607
Размер:	190.6 Кб
ID:	52756   Нажмите на изображение для увеличения
Название: BMW-801--POWER.jpg
Просмотров: 558
Размер:	971.7 Кб
ID:	52757   Нажмите на изображение для увеличения
Название: 190a5-level-20-10-43.jpg
Просмотров: 576
Размер:	434.1 Кб
ID:	52758   Нажмите на изображение для увеличения
Название: Bild8.JPG
Просмотров: 588
Размер:	208.4 Кб
ID:	52759  

Нажмите на изображение для увеличения
Название: 190a5-performancetable.jpg
Просмотров: 572
Размер:	366.3 Кб
ID:	52760  
Vasya вне форума   Ответить с цитированием
Старый 05.03.2018, 23:45   #880
Vasya
Звичайна людина на Землі
 
Аватар для Vasya
 
Регистрация: 06.11.2011
Адрес: Україна, м.Київ, Печерський район, вул. Кіквідзе
Сообщений: 8,363
Смущение

МОТОР.
Код:
[BMW-801D-2FN/FW-190A-5/A-6/A-7/NEW]
  EngineAcceleration 6.0
  FuelPumpPress 1.6
  HorsePowers 2422      // 1730X1.4  
  BoostFactor 1.0
  WEPBoostFactor 1.1267
  cAfterburner 1
  AfterburnerType 6
  TowFactor 1.0
  cFeather 1  
  RPMMin 450
  RPMNom 2700
  RPMMax 2700
  RPMMaxAllowed 3000
  Reductor 0.54167      // 0.54167 / 0.61
  PropMass 180.0
  PropDiameter 3.3
  PropAnglerType 8
  PropAnglerSpeed 0.12
  PropAnglerMinParam 1462  // 1462
  PropAnglerMaxParam 2700
  PropAnglerAfterburnerParam 2712
  PropPhiMin 31.0      // 31 (26 - НАИМЕНЬШИЙ КРИТИЧЕСКИЙ УГОЛ)
  PropPhiMax 62.0       // 62
  PropAoA0 11.0
  Voptimal 265.0 
  CompressorType 1
  CompressorSteps 2
  CompressorPAt0 0.55
  CompressorRPMCurvature 4.9
  CompressorPMax 1.58
  CompressorAltitude0 600.0    // 750.0           
  CompressorMultiplier0 1.052
  CompressorBaseMultiplier0 1.052
  CompressorAltitude1 5900.0
  CompressorMultiplier1 0.87        
  CompressorBaseMultiplier1 0.865        
  CompressorRPMP0 2000.0
  CompressorRPMPMax 2712.0
  CompressorMaxATARPM 1.42
  CompressorSpeedManifold 0.62
  CompressorRPM0 450
  CompressorATA0 0.40
  CompressorRPM1 1000
  CompressorATA1 0.60
  CompressorRPM2 1200
  CompressorATA2 0.65
  CompressorRPM3 1800
  CompressorATA3 0.95
  CompressorRPM4 2000
  CompressorATA4 1.05
  CompressorRPM5 2300
  CompressorATA5 1.20
  CompressorRPM6 2400
  CompressorATA6 1.32      
  CompressorRPM7 2500
  CompressorATA7 1.36
  CompressorRPM8 2700
  CompressorATA8 1.42    
  DisP0x 2700
  DisP0y 0
  DisP1x 0
  DisP1y 10
  TESPEED 0.031
  TWATERMAXRPM 180
  TOILINMAXRPM 70
  TOILOUTMAXRPM 85
  MAXRPMTIME 180
  MINRPMTIME 999
  TWATERMAX 220
  TWATERMIN 60
  TOILMAX 120
  TOILMIN 40

  FuelConsumptionP0 = 0.157F
  FuelConsumptionP05 = 0.15F
  FuelConsumptionP1 = 0.192F
  FuelConsumptionPMAX = 0.207F

  SoundName BMW_800_Series
  PropName middle
  StartStopName BMW_800_Series
У земли на карте Смоленска ФВ-190А-5 разгоняется стабильно до 540 км. в час., можно раскочегарить до 547-549 км. в час, но скорость с 535 до 547 км. в час набирает медленно.
На форсаже скорость доходит до 566-567 км. в час у земли. На боевом развороте на номинале набор высоты 920-980 метров., на горке при пологом наборе до 1100 метров из-за веса(на начальном этапе набора большую добавку вносит кинетическая енергия. Вираж выполняет на скорости 340-370 км. в час на высоте 550-800 метров за 23-22 секунды.
Думаю что в ттх уложился с небольшим запасом.
В поляре совместил данные от десяточной фм и частично (CyCritH_0 1.40) из двенадцатой фм. Видел на сайте БзС (английском) обсуждение фм ФВ-190, утверждалосьчто сопромат крыла Фокера 1.40.
Но в двенадцатом патче сопромат увеличили в сравнении с десятым (CyCritH_0 1.25), а "толщину" оставили 0.82. Я пропорционально уменьшил, что бы самолёт летал похоже как в патче 4.10 и ниже.
Так же в двенадцатом патче Фоке типа чуть выпустили закрылки для увеличения подъёмной сили, тем самым придали Фокеру летучесть и планерность. С моей новой полярой повадки Фокера остались похожими на реал - при уборке тяги самолёт хорошо пикирует без болтанки и плохо планирует.
Такие мои дилетанские размышления.

Последний раз редактировалось Vasya; 05.03.2018 в 23:55.
Vasya вне форума   Ответить с цитированием
Ответ


Здесь присутствуют: 2 (пользователей: 0 , гостей: 2)
 

Ваши права в разделе
Вы не можете создавать новые темы
Вы не можете отвечать в темах
Вы не можете прикреплять вложения
Вы не можете редактировать свои сообщения

BB коды Вкл.
Смайлы Вкл.
[IMG] код Вкл.
HTML код Выкл.

Быстрый переход


Текущее время: 23:06. Часовой пояс GMT +3.


Powered by vBulletin® Version 3.8.4
Copyright ©2000 - 2025, Jelsoft Enterprises Ltd. Перевод: zCarot
Рейтинг@Mail.ru